 |
|
 |
 |
 |
 |
| |
A DIVISION OF ILLINOIS CARBIDE TOOL COMPANY INC.
1322 Belvidere Street, Waukegan, Illinois 60085
(P)800-323-2414, 847-244-1118
(F) 847-249-0693 |
|
|
 |
 |
|
|
 |
|
|
|
 |
 |
 |
 |
| |
 |
| |
| CUT-OFF BLADES |
TAN-7000 |
 |
|
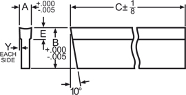
| Blades are parallel type for use in Empire and Luers holders. Can be used in either a right hand or left hand holder.
|
|
| TAN-7000 |
| BLADE DIMENSIONS |
BLADE NUMBER |
| A Width |
B Height |
C Length |
E |
Angle Y |
| 3/32 |
.476 .676 |
4-1/2 5 |
.095 .123 |
3° 2° |
TAN-7000 TAN-7001 |
| 1/8 |
.476 .676 .749 .874 1.123 |
4-1/2 5 5 6 6-1/2 |
.145 .123 .167 .195 .195 |
4° 3° 3° 2° 2° |
TAN-7002 TAN-7003 TAN-7004 TAN-7005 TAN-7006 |
| 5/32 |
.676 .874 |
5 6 |
.123 .195 |
2° 3° |
TAN-7007 TAN-7009 |
| 3/16 |
.676 .874 1.123 |
5-1/4 6 6-1/2 |
.123 .195 .195 |
4° 4° 4° |
TAN-7010 TAN-7012 TAN-7013 |
| 1/4 |
1.123 |
6-1/2 |
.195 |
4° |
TAN-7015 |
|
|
| TAN-8000 |
 |
|
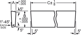
| Blades are Double Bevel.
|
|
|
| TAN-8000 |
| BLADE DIMENSIONS |
BLADE NUMBER |
| A Width |
B Height |
C Length |
| 3/32 |
1/2 5/8 |
4-1/2 4-1/2 |
TAN-8005 TAN-8006 |
| 1/8 |
5/8 3/4 7/8 |
4-1/2 6 6 |
TAN-8009 TAN-8000 TAN-8001 |
| 5/32 |
5/8 3/4 7/8 |
6 6 6 |
TAN-8010 TAN-8011 TAN-8012 |
| 3/16 |
3/4 7/8 1 1-1/18 |
6 6 6 6 |
TAN-8013 TAN-8014 TAN-8002 TAN-8003 |
| 1/4 |
1 1-1/4 |
6 6 |
TAN-8016 TAN-8004 |
|
|
| TAN-8500 |
 |
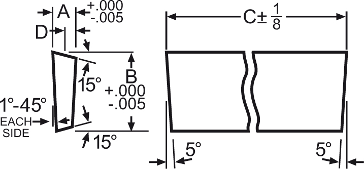
| Blades are double bevel for use in Brown and Sharpe type holders. Can be used in either a right hand or a left hand holder.
|
|
|
| TAN-8500 |
| BLADE DIMENSIONS |
BLADE NUMBER |
FOR USE IN BROWN AND SHARPE POST NUMBER |
| A Width |
B Height |
C Length |
| 3/32 |
1/2 11/16 |
4-1/2 4-1/2 |
TAN-8505 TAN-8506 |
00D 10A, 10B, 11A, 12A, 20D AND 22D |
| 1/8 |
11/16 13/16 1 |
4-1/2 6 6 |
TAN-8508 TAN-8509 TAN-8510 |
10A, 10B, 11A, 12A, 20D AND 22D 11A, 11B, 12A, 12B AND No. 4 Auto. No. 6 Auto. |
| 5/32 |
11/16 |
6 |
TAN-8515 |
No. 2 Auto. |
| 3/16 |
11/16 1 |
6 6 |
TAN-8516 TAN-8513 |
No. 2 Auto. No. 6 Auto. |
| 1/4 |
11/16 |
6 |
TAN-8517 |
No. 2 Auto |
|
|
| TAN-9000 |
 |
| TAN-9000 Blades are double bevel for use in Amstrong type holders. Can be used in either a right hand or left hand holder.
|
|
| TAN-9000 |
| BLADE DIMENSIONS |
BLADE NUMBER |
| A Width |
B Height |
C Length |
D |
| Nominal |
Actual |
| 1/8 |
3/4 7/8 |
.715 .840 |
6 6 |
1/16 1/16 |
TAN-9000 TAN-9001 |
| 3/16 |
1 1-1/8 |
.965 1.090 |
6 6 |
3/32 3/32 |
TAN-9002 TAN-9003 |
| 1/4 |
1-1/4 |
1.175 |
6 |
1/8 |
TAN-9004 |
|
|
| TAN-9500 |
 |
| TAN-9500 Blades are hollow ground for use in Pratt and Whitney type holders. Can be used in either a right hand or left hand holder.
|
|
| TAN-9500 |
| BLADE DIMENSIONS |
BLADE NUMBER |
FOR USE IN P&W HOLDER NUMBER |
| A Width |
B Height |
C Length |
| 1/16 |
1/2 11/16 53/54 |
4-1/2 4-1/2 4-1/2 |
TAN-9501 TAN-9504 TAN-9507 |
00 0 1 and 2 |
| 3/32 |
1/2 11/16 53/64 |
4-1/2 4-1/2 6 |
TAN-9503 TAN-9505 TAN-9508 |
00 0 1 and 2 |
| 1/8 |
11/16 53/64 |
4-1/2 6 |
TAN-9506 TAN-9509 |
0 1 and 2 |
| 5/32 |
53/64 |
6 |
TAN-9510 |
1 and 2 |
| 3/16 |
53/64 1 |
6 6 |
TAN-9511 TAN-9515 |
1 and 2 3 and 4 |
|
|
|
|
 |
 |
 |
|
|
|